
高性能的伺服電機

◆ 反應快速,性能穩定的伺服電機動力系統,配置了高精度高靈敏的壓力反饋裝置,形成閉回精密控制,確??蛻粢蟮漠a品穩定性。
◆ 陽鑫牌電木注塑機具有精密、快速、穩定、節能等優點,并在結構設計上結合電木成型特性進行合理設計。
◆ 該機型采用熱因性專用螺桿與料管,特選用耐腐蝕及耐磨材質,經特殊加工處理后使用,適用于熱固性材料,且可由熱因性機轉換熱可塑性機。
可用于各種熱固性(電木)產品生產:膠木、餐具、手輪、手柄、電木把手、刀具、拉手、膠木、鍋柄、鍋耳、刀柄、電木旋鈕、開關、烤爐配件、接線端子、端鈕、電表配件、電表殼等電木制品。
臥式電木注塑機的適用范圍
| 適用范圍 | DAP、電木粉、BMC、尿素等材料之優選 |
| 鎖模力 | 60-320噸 |
| 射出量 | 107-1489克重 |
| 電木機料筒 | 熱固性原料,模溫機加熱,適應各種熱固性塑料(電木料)加工 |
| 臥式電木注塑機 | 產品可以直接落下 |
| 三明治模板設計 | 包括斷熱冷水板+隔熱玻纖板/石棉板,確保了因模具熱轉移而引起機器壽命、穩定性問題及不必要的能量浪費。 |
| 配套設備 | 模溫機(模具電熱供電溫控配置) |
產品運用

◆ 快速合模設定、低壓安全鎖模、異常自動開模、獨特安全設計;
◆ 低壓安全保護功能:獨特設計的零壓慢速關模技術,保護人身安全,居同行業精英,上下模具間如有異物阻止擋,不會強力鎖模,且自動保護開模;
◆ 自動故障顯示、調整檢測輕松容易;
◆ 電控、液壓采用進口名牌零件、安靜、精密、迅捷、耐用;
◆ 多段射出壓力、射速、背壓無段調整、適合精密塑料零件成型;
◆ 液壓頂出成品裝置。
◆ 安全、節能、穩定、高效、省電,和專業的售后服務。
臥式電木注塑機的特性:

優點:
◆ 鎖模四段控制頂出、二段控制開鎖模頂出均采用線性電子尺傳感器,精密度達0.01mm;
◆ 可以準確控制鎖模和頂出,可以選擇震動頂出,停頓多次頂出或搭配電眼檢出機鉸潤滑油,采用電腦控制自動化潤滑;
◆ 可由電腦設定和監控并具備有警報功能保護機械正常運行。
同步液壓精密調模機構液壓馬達驅動,中心定位齒輪調模,使調模運行為更順暢快捷。
高剛性正四方箱型模板保證模具受力均勻,注塑無毛邊延長模具壽命。
節能高響應油路設計,速度靈敏,節能率20%-50%消耗電費大幅遞減。
鎖模單元


高精密

高剛性

高響應
陽鑫YX系列 秉持臺灣先進的設計理念
突破傳統射出機的技術瓶頸,有效提升了成型精度,延長機器使用壽命大幅度降低了消耗!
專業化和射出解決方案,針對各種原料和工藝提供齊全的專業螺桿料筒組合,并可提供多種材質供客戶選擇,提升用戶產品品質。
射座和射膠全部采用線性導軌,高精度低摩擦系數,運行更平穩,調整靈敏。更有利于低粘度及高溫材料的注塑成型,射移支架整體鑄造,整體射臺的鋼性增加。
采用雙射移結構,前拉式射臺油缸,平行牽引,保護噴嘴與模具接觸不偏移密封佳,不易漏膠。
注塑單元

高精度

高精度
◆ 采用臺灣制造先進的微電腦控制器400兆高速CPU可搭配半閉及全閉回路油壓系統;
◆ 加上人性化圖形操作介面,線上曲線檢測功能及中央網路連線管理;
◆ 豐富的 SPC 品質管理介面,利于生產高精度產品為用戶提高加值利潤。
◆ 具備六段射出,三段保壓,二段松退及保壓位置切換控制等功能;
◆ 可以根據產品需要靈活調整,精確之射出終點及保壓位置切換,實現高精密,高穩定性之射出性能;
◆ 射出采用線性電子尺,精度達 0.01mm ,可準確控制射出行程,可記錄并同時顯示連續生產過程抽樣溫度曲線,射出終點;
◆ 保壓切換點,保壓完成點曲線,并有歷史曲線比對功能,精度達 0.1mm ,系統穩定性一目了然;
◆ 六段 PID 溫度控制,精度可達± 1? ,并具備溫度異常斷線警報及上下限制設立功能,可精確掌控料溫;
◆ 螺桿低溫起動保護,防止螺桿意外損傷,可調定時預熱功能,實時保溫及料管自動加溫功能,自動洗料功能。
微電腦控制器

伺服動力系統構成圖&伺服電機
耗電量比較

驅動技術

技術參數
| 項目 | 單位 | YT-2200 | ||
| 射 出 單 元 | 螺桿直徑 | mm | Φ36 | Φ40 |
| 理論射出容積 | cm3 | 173 | 214 | |
| 射出量 | gram | 208 | 258 | |
| ozs | 7.3 | 9.0 | ||
| 射膠壓力 | kg/cm2 | 2204 | 1785 | |
| 射出率 | cm3/sec | 83 | 102 | |
| 夾 模 單 元 | 閉模力 | metrictons | 110 | |
| 夾模行程 | mm | 350 | ||
| 模厚 | mm | 110-440 | ||
| 建議最小模具尺寸 | mm | 255*220 | ||
| 大柱內距 | mm | 390*340 | ||
| 模盤尺寸 | mm | 590*540 | ||
| 托模行程 | mm | 90 | ||
| 電 氣 單 元 | 電機馬達 | kw | 9.4 | |
| 溫度控制器 | (range)set | (0-400 ℃)*4 | ||
| 其 他 | 機械尺寸 | mm | 4800*1100*1800 | |
| 油箱容量 | liter | 230 | ||
| 機械重量 | metric tons | 4.2 | ||
| 最高系統壓力 | kg/cm2 | 140 | ||
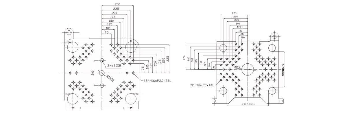
| 固定模版正確尺寸 | ![]() | |||

>


